Hydraulický ventil VRAP 60/80 - G3/8" pre pluh obracák jeden jednočinný valec
Kód: 1.35.51.010


Podrobný popis
HYDRAULICKÝ VENTIL PRE REVERZNÝ PLUH S JEDNOVALCOM VRAP60/80 3/8"
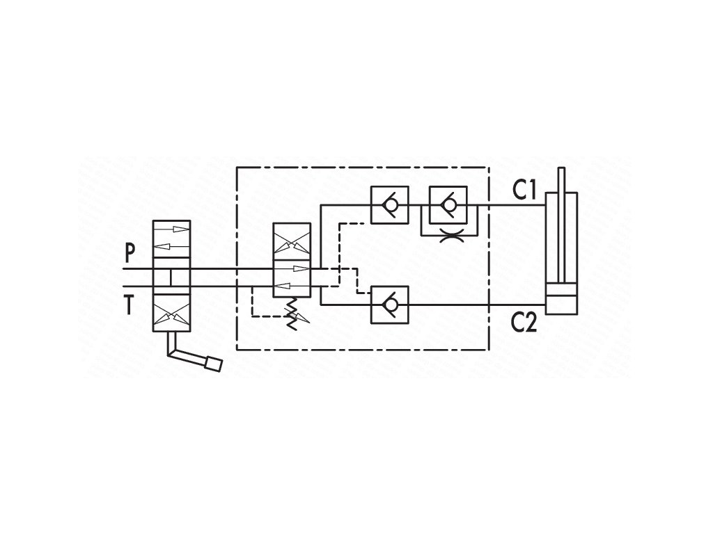
Ventil pre hydraulický valec v otočných pluhoch, používaný vo všetkých pluhoch 2, 3
alebo 4 brázdové brázdy, v ktorých je vnútorný priemer valca v ovládači v medziach medzi
60 - 80 mm (vonkajší priemer medzi 50 - 60 mm).
Ventil v správnom momente automaticky prepne smer toku oleja a zmení pohyb
pohonu a tým aj otáčanie pluhu. Vybavený spätným ventilom, ktorý zaisťuje
zaistenie pluhu v nastavenej polohe.
VŠEOBECNÉ INFORMÁCIE:
Pripojenie: Pripojte C1 k piestnej tyči ovládača a C2 k piestu ovládača.
Pripojte P a T k zásuvkám na traktore alebo k sekciám v hydraulickom rozvádzači.

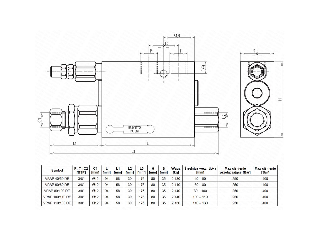
Počet hydraulických otvorov v tele: 4
Vnútorné závity v tele [BSP]: 3/8''
Materiál: pozinkovaná oceľ
ROZSAH TLAKU:
Maximálny povolený tlak: 400 bar
Maximálne nastavenie prepínacieho ventilu: 250 bar
Výrobné nastavenie prepínacieho ventilu: 150bar
TEPLOTNÝ ROZSAH A TYP OLEJA:
Prípustná teplota okolia: -40 C až +60 C
Prípustná teplota oleja: -15 C až +80 C
Typ oleja: Hydraulický olej na báze minerálneho oleja
