Ventil pre rotačný pluh s dvoma hydraulickými valcami VRAP 80/100, závity: 3/8"
Kód: 1.35.52.010


Podrobný popis
Je široko používaný v hydraulických systémoch v poľnohospodárstve, stavebníctve a priemysle.
Všestranné využitie v poľnohospodárstve, lesníctve a priemysle.
Ventil pre hydraulické valce v otočných pluhoch, používaný vo všetkých
pluhy s dvoma valcami, v ktorých je vnútorný priemer valcov v oboch valcoch
sa pohybuje medzi 80-100 mm (vonkajší priemer medzi 90-120 mm).
Ventil vo vhodnom okamihu automaticky prepne smer toku oleja,
mení pohyb pohonov a tým aj rotačný pohyb a polohu rámu pluhu. Vybavený
so spätným ventilom, ktorý zabezpečuje zaistenie pluhu v nastavenej polohe.
VŠEOBECNÉ INFORMÁCIE: 
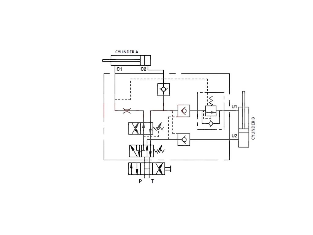
Pripojenie: Pripojte C1 k piestnej tyči ovládača (A) a C2 pripojte k piestu ovládača (A).
Pripojte U1 k piestnej tyči ovládača (B) a U2 k piestu ovládača (B).
Pripojte P a T k zásuvkám na traktore alebo k sekciám v hydraulickom rozvádzači.
Počet hydraulických otvorov v tele: 6
Vnútorné závity v tele [BSP]: 3/8''
Materiál: pozinkovaná oceľ
ROZSAH TLAKU:
Maximálny povolený tlak: 400 bar
Maximálne nastavenie prepínacieho ventilu: 230 bar
Výrobné nastavenie prepínacieho ventilu: 150bar
TEPLOTNÝ ROZSAH A TYP OLEJA:
Prípustná teplota okolia: -40 C až +60 C
Prípustná teplota oleja: -15 C až +80 C
Typ oleja: Hydraulický olej na báze minerálneho oleja
Technické údaje
| Maximálny tlak: | 400 barov |
| Nominálny tlak: | 230 bar |
| Úloha v systéme | Na otáčanie pluhu |
| Typ ovládania: | Stroj |
| Nite | G 3/8"". |
Diskusia
Buďte prvý, kto napíše príspevok k tejto položke.
